| T型過濾器(DGT型) |
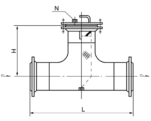
| 1、T型對焊連接直通式過濾器(DGTI-W型) |
|
公稱直徑
DN |
D0 |
L |
H
|
管塞
N
|
系列A |
系列B |
50 |
60.3 |
57 |
128 |
175 |
RC3/8 |
65 |
76.1 |
76 |
152 |
195 |
80 |
88.9 |
89 |
172 |
210 |
100 |
114.3 |
108 |
210 |
230 |
125 |
139.7 |
133 |
248 |
310 |
150 |
168.3 |
159 |
286 |
335 |
RC3/4
|
200 |
219.1 |
219 |
356 |
400 |
250 |
273 |
273 |
432 |
450 |
M20x1.5 |
300 |
323.9 |
325 |
508 |
535 |
350 |
355.6 |
377 |
558 |
580 |
400 |
406.4 |
426 |
610 |
640 |
|
| 2、T型法蘭連接直通式過濾器(DGTI-F型) |
|
| 公稱直徑DN |
安裝尺寸MM |
管塞N |
| L |
H |
| 50 |
230 |
170 |
RC3/8 |
| 65 |
260 |
170 |
| 80 |
290 |
180 |
| 100 |
350 |
200 |
| 125 |
390 |
230 |
| 150 |
435 |
250 |
RC3/4 |
| 200 |
540 |
310 |
| 250 |
640 |
370 |
M20x1.5 |
| 300 |
745 |
425 |
| 350 |
800 |
460 |
| 400 |
900 |
520 |
|
| 3、T型對焊連接折疊直通式過濾器(DGTMI-W型) |
|
公稱直徑
DN |
D0 |
L |
H
|
管塞
N
|
系列A |
系列B |
200 |
219.1 |
219 |
356 |
380 |
M20x1.5 |
250 |
273 |
273 |
432 |
520 |
300 |
323.9 |
325 |
508 |
580 |
350 |
355.6 |
377 |
558 |
700 |
400 |
406.4 |
426 |
610 |
760 |
500 |
508 |
529 |
763 |
920 |
|
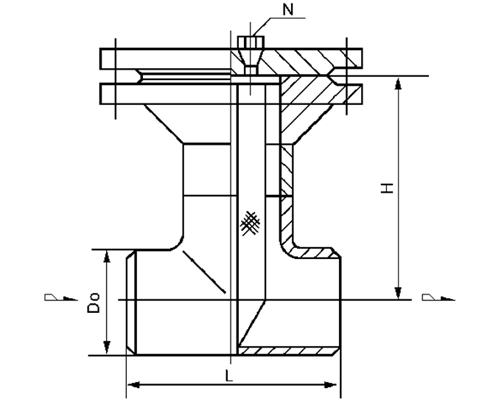
| 4、T型對焊連接正折流式過濾器(DGTII-W型) |
| 5、T型對焊連接反折流式過濾器(DGTIII-W型) |
|
公稱直徑
DN |
D0 |
L |
H
|
L1
|
管塞
N |
系列A |
系列B |
| 50 |
60.3 |
57 |
300 |
64 |
165 |
RC3/8 |
| 65 |
76.1 |
76 |
340 |
76 |
185 |
| 80 |
88.9 |
89 |
370 |
86 |
195 |
| 100 |
114.3 |
108 |
425 |
105 |
220 |
| 125 |
139.7 |
133 |
465 |
124 |
240 |
| 150 |
168.3 |
159 |
520 |
143 |
270 |
RC3/4 |
| 200 |
219.1 |
219 |
630 |
178 |
320 |
| 250 |
273 |
273 |
740 |
216 |
370 |
M20x1.5 |
| 300 |
323.9 |
325 |
845 |
254 |
420 |
| 350 |
355.6 |
377 |
910 |
279 |
450 |
| 400 |
406.4 |
426 |
1040 |
305 |
520 |
|
| 6、T型法蘭連接正折流式過濾器(DGTII-F型) |
| 7、T型法蘭連接反折流式過濾器(DGTIII-F型) |
|
公稱直徑
DN |
L |
H
|
L1
|
管塞
N |
| 50 |
300 |
165 |
165 |
RC3/8 |
| 65 |
340 |
185 |
185 |
| 80 |
370 |
195 |
195 |
| 100 |
425 |
220 |
220 |
| 125 |
465 |
240 |
240 |
| 150 |
520 |
270 |
270 |
RC3/4 |
| 200 |
630 |
320 |
320 |
| 250 |
740 |
370 |
370 |
M20x1.5 |
| 300 |
845 |
420 |
420 |
| 350 |
910 |
450 |
450 |
| 400 |
1040 |
520 |
520 |
|
|